Gate EC-2015 – 2 Question Paper With Solutions

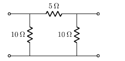
Q. 21 The 2-port admittance matrix of the circuit shown is given by
Gate EC-2015 - 2 Question Paper With Solutions

Gate EC-2015 - 2 Question Paper With Solutions

Answer: (*)

Explanation:

Gate EC-2015 - 2 Question Paper With Solutions

Gate EC-2015 - 2 Question Paper With Solutions

Learn More:   Gate EE-2017-1 Question Paper With Solutions

LEAVE A REPLY

Please enter your comment!
Please enter your name here