Gate EC-2012 Question Paper With Solutions

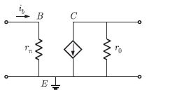
Q. 1 The current Gate EC-2012 Question Paper With Solutions through the base of a silicon npn transistor is
Gate EC-2012 Question Paper With Solutions, the Gate EC-2012 Question Paper With Solutionsin the small signal model of the transistor is

Gate EC-2012 Question Paper With Solutions
Gate EC-2012 Question Paper With Solutions

Answer: C

Explanation:
Gate EC-2012 Question Paper With Solutions

Learn More:   Gate ME-2012 Question Paper With Solutions

LEAVE A REPLY

Please enter your comment!
Please enter your name here