Gate EC-2015 – 2 Question Paper With Solutions

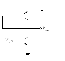
Q. 43 In the ac equivalent circuit shown, the two BJTs are biased in active region and have identical parameters with Gate EC-2015 - 2 Question Paper With Solutions. The open circuit small signal voltage gain is approximately________.

Gate EC-2015 - 2 Question Paper With Solutions

Answer:( -1)

Explanation:
Gate EC-2015 - 2 Question Paper With Solutions

Learn More:   Gate ME-2020-2 Question Paper With Solutions

LEAVE A REPLY

Please enter your comment!
Please enter your name here