Gate EE-2012 Question Paper With Solutions

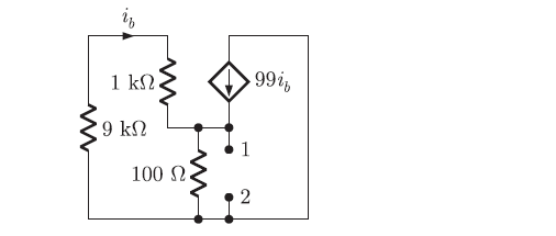
Q. 5 The impedance looking into nodes 1 and 2 in the given circuit is

Gate EE-2012 Question Paper With Solutions Gate EE-2012 Question Paper With Solutions

Answer:(A)

Explanation:

Gate EE-2012 Question Paper With SolutionsGate EE-2012 Question Paper With Solutions

Learn More:   Gate EE-2016-1 Question Paper With Solutions

LEAVE A REPLY

Please enter your comment!
Please enter your name here