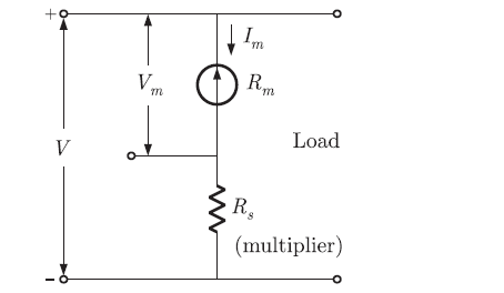
Q. 45 An analog voltmeter uses external multiplier settings. With a multiplier setting of
, it reads 440 V and with a multiplier setting of
, it reads 352 V. For
a multiplier setting of , the voltmeter reads
(A) 371V
(B) 383 V
(C) 394 V
(D) 406 V
Answer:(D)
Explanation:














