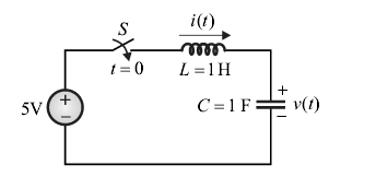
Q. 62 A DC voltage source is connected to a series L-C circuit by turning on the switch S at time t = 0 as shown in the figure. Assume i(0) = 0, v(0) = 0. Which one of the following circular loci represents the plot of i(t) versus v(t) ?
Answer:(B)
Explanation:
















