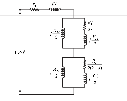
Q. 61 The equivalent circuit of a single phase induction motor is shown in the figure, where the parameters are
and s is the slip. At no-load, the motor speed can be approximated to be the synchronous speed. The no-load lagging power factor of the motor is__________(up to 3 decimal places).
Answer:( 0.106)
Explanation:















