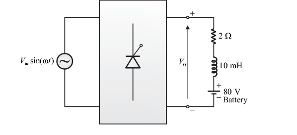
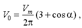
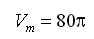
Q. 38 A phase controlled single phase rectifier, supplied by an AC source, feeds power to an R-L-E load as shown in the figure. The rectifier output voltage has an average value given where
volts and
is the firing angle. If the power delivered to the lossless battery is 1600 W,
in degree is __________(up to 2 decimal places).
Answer:(90)
Explanation:













