Gate EE-2018 Question Paper With Solutions

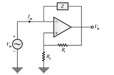
Q. 21 The op-amp shown in the figure is ideal. The input impedanceGate EE-2018 Question Paper With Solutions in
in is given by

Gate EE-2018 Question Paper With SolutionsGate EE-2018 Question Paper With Solutions

Answer:(B)

Explanation:

Gate EE-2018 Question Paper With Solutions Gate EE-2018 Question Paper With Solutions

Learn More:   Gate EC-2016 - 2 Question Paper With Solutions

LEAVE A REPLY

Please enter your comment!
Please enter your name here