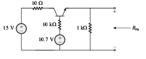
Q. 43 In the circuit shown in the figure, the bipolar junction transistor (BJT) has a current gain . The base-emitter voltage drop is a constant,
. The value of the Thevenin equivalent resistance
as shown in the figure is _______ (up to 2 decimal places).
Answer: (2.76)
Explanation:














