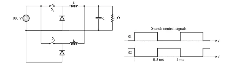
Q. 41 The figure shows two buck converters connected in parallel. The common input dc voltage for the converters has value of 100 V. The converters have inductors of identical value. The load resistance is . The capacitor voltage has negligible rippel. Both converters operate in the continuous conduction mode. The switching frequency is 1 kHz, and the switch control signals are as shown. The circuit operates in the steady state. Assume that the converters share the load equally, the average value of
i , the current of switch
(in ampere), is ______ (up to 2 decimal places).
Answer:(25 A)
Explanation:














