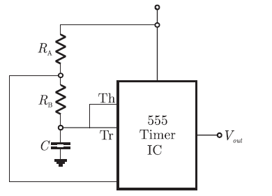
Q. 64 The circuit of figure shows a 555 Timer IC connected as an astable multivibrator.
The value of the capacitor C is 10 nF. The values of the resistors and
for a frequency of 10 kHz and a duty cycle of 0.75 for the output voltage waveform are
Answer:(C)
Explanation:















