Gate EE-2003 Question Paper With Solutions

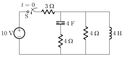
Q. 36 In the circuit shown in figure, the switch S is closed at time Gate EE-2003 Question Paper With Solutions The voltage across the inductance at Gate EE-2003 Question Paper With Solutions, is

Gate EE-2003 Question Paper With Solutions
(A) 2 V

(B) 4 V

(C) -6 V

(D) 8 V

Answer: (B)

Explanation:
Gate EE-2003 Question Paper With Solutions

Gate EE-2003 Question Paper With Solutions

Gate EE-2003 Question Paper With Solutions

Gate EE-2003 Question Paper With Solutions

Learn More:   Gate EC-2017-1 Question Paper With Solutions

LEAVE A REPLY

Please enter your comment!
Please enter your name here