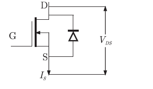
Q. 28 . Figure shows a MOSFET with an integral body diode. It is employed as a power switching device in the ON and OFF states through appropriate control. The ON and OFF states of the switch are given on the Splane by

Answer:(D)
Explanation:
Q. 28 . Figure shows a MOSFET with an integral body diode. It is employed as a power switching device in the ON and OFF states through appropriate control. The ON and OFF states of the switch are given on the Splane by

Answer:(D)
Explanation: