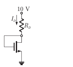
Q. 61 For the n-channel enhancement MOSFET shown in figure, the threshold voltage
. The drain current
of the MOSFET is 4 mA when the drain resistance
is
.If the value of RD is increased to
, drain current
will become
(A) 2.8 mA
(B) 2.0 mA
(C) 1.4 mA
(D) 1.0 mA
Answer:(A)
Explanation:














