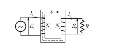
Q. 41 Figure shows an ideal single-phase transformer. The primary and secondary
coils are wound on the core as shown. Turns ratio .The correct
phasors of voltages, currents
and core flux
are as shown in

Answer: (*)
Explanation:
Not Required.












