Gate EC-2015 – 3 Question Paper With Solutions

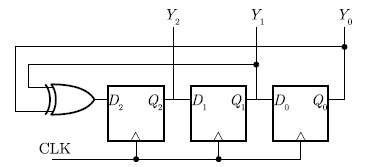
Q. 52 A three bit pseudo random number generator is shown. Initially the value of outputGate EC-2015 - 3 Question Paper With Solutionsis set to 111. The value of output Y after three clock cycles is

Gate EC-2015 - 3 Question Paper With Solutions

(A) 000

(B) 001

(C) 010

(D) 100

Answer: (D)

Explanation:

Gate EC-2015 - 3 Question Paper With Solutions

Learn More:   Gate EE-2014-2 Question Paper With Solutions

LEAVE A REPLY

Please enter your comment!
Please enter your name here