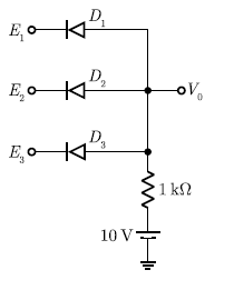
Q. 17 In the circuit shown, diodes are ideal, and the inputs
are 0V for logic ‘0’ and ‘‘10V ’’ for logic ‘1’. What logic gate does the circuit represent?
(A) 3-input OR gate
(B) 3-input NOR gate
(C) 3-input AND gate
(D) 3-input XOR gate
Answer: (C)
Explanation:














