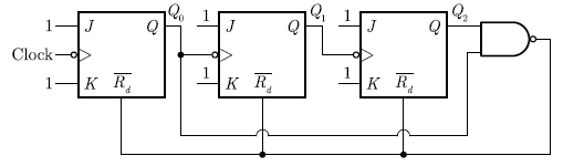
Q. 34 The circuit shown consists of J K – flip-flops, each with an active low asynchronous reset The counter corresponding to this circuit is
(A) a modulo-5 binary up counter
(B) a modulo-6 binary down counter
(C) a modulo-5 binary down counter
(D) a modulo-6 binary up counter
Answer: (A)
Explanation:













