Gate EE-2014-3 Question Paper With Solutions

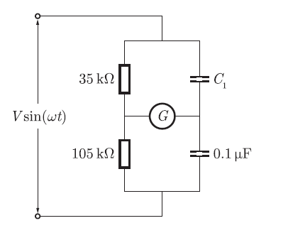
Q. 58 In the bridge circuit shown, the capacitors are loss free. At balance, the value of
capacitance Gate EE-2014-3 Question Paper With Solutions in microfarad is ______.

Gate EE-2014-3 Question Paper With Solutions

Answer:(Gate EE-2014-3 Question Paper With Solutions)

Explanation:

Gate EE-2014-3 Question Paper With SolutionsGate EE-2014-3 Question Paper With Solutions

Learn More:   Gate ME 2014-1 Question Paper With Solutions

1 COMMENT

LEAVE A REPLY

Please enter your comment!
Please enter your name here