Gate EE-2014-3 Question Paper With Solutions

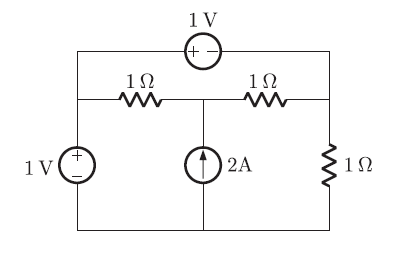
Q. 40 The power delivered by the current source, in the figure, is ____.

Gate EE-2014-3 Question Paper With Solutions

Answer: (3 W)

Explanation:

Gate EE-2014-3 Question Paper With Solutions Gate EE-2014-3 Question Paper With Solutions

Learn More:   Gate ME-2016-2 Question Paper With Solutions

1 COMMENT

LEAVE A REPLY

Please enter your comment!
Please enter your name here