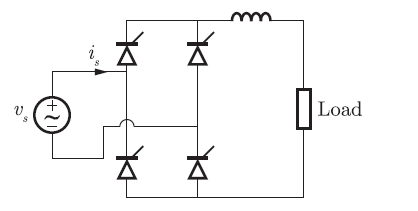
Q. 63 A fully controlled converter bridge feeds a highly inductive load with ripple free
load current. The input supply to the bridge is a sinusoidal source. Triggering
angle of the bridge converter is The input power factor of the bridge is
Answer:(0.779)
Explanation:













