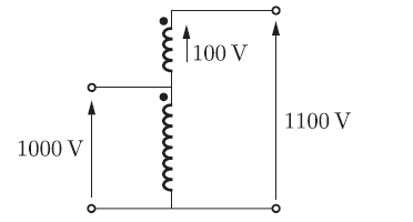
Q. 22 A single phase, 50 kVA, 1000 V/100 V two winding transformer is connected as
an autotransformer as shown in the figure.
The kVA rating of the autotransformer is ________.
Answer:(550)
Explanation:

Q. 22 A single phase, 50 kVA, 1000 V/100 V two winding transformer is connected as
an autotransformer as shown in the figure.
The kVA rating of the autotransformer is ________.
Answer:(550)
Explanation:
