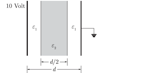
Q. 18 A parallel plate capacitor consisting two dielectric materials is shown in the figure.
The middle dielectric slab is placed symmetrically with respect to the plates.
If the potential difference between one of the plates and the nearest surface of
dielectric interface is 2 Volts, then the ratio is
(A) 1 : 4
(B) 2 : 3
(C) 3 : 2
(D) 4 : 1
Answer:(C)
Explanation:














