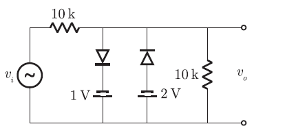
Q. 39 Assuming the diodes to be ideal in the figure, for the output to be clipped, the
input voltage must be outside the range
(A) -1V to -2 V
(B) -2 V to -4 V
(C) +1V to -2 V
(D) +2 V to -4 V
Answer:(B)
Explanation:


Q. 39 Assuming the diodes to be ideal in the figure, for the output to be clipped, the
input voltage must be outside the range
(A) -1V to -2 V
(B) -2 V to -4 V
(C) +1V to -2 V
(D) +2 V to -4 V
Answer:(B)
Explanation:

