Gate EC-2008 Question Paper With Solutions

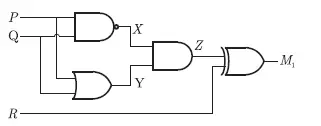
Q. 57 Which of the following Boolean Expressions correctly represents the relation between P,Q,R and M1

Gate EC-2008 Question Paper With SolutionsGate EC-2008 Question Paper With Solutions

Answer: D

Explanation:

Gate EC-2008 Question Paper With Solutions

Learn More:   Gate ME 2015-3 Question Paper With Solutions

LEAVE A REPLY

Please enter your comment!
Please enter your name here