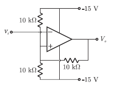
Q. 53 Consider the Schmidt trigger circuit shown below
A triangular wave which goes from -12 to 12 V is applied to the inverting input of OPMAP. Assume that the output of the OPAMP swings from +15 V to -15 V. The voltage at the non-inverting input switches between
(A) -12V to +12 V
(B) -7.5 V to 7.5 V
(C) -5 V to +5 V
(D) 0 V and 5 V
Answer: C
Explanation:













