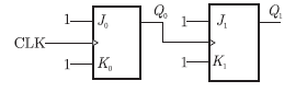
Q. 59 For each of the positive edge-triggered J – K flip flop used in the following figure, the propagation delay is

Which of the following wave forms correctly represents the output at Q1 ?
Answer: B
Explanation:
Q. 59 For each of the positive edge-triggered J – K flip flop used in the following figure, the propagation delay is

Which of the following wave forms correctly represents the output at Q1 ?
Answer: B
Explanation: