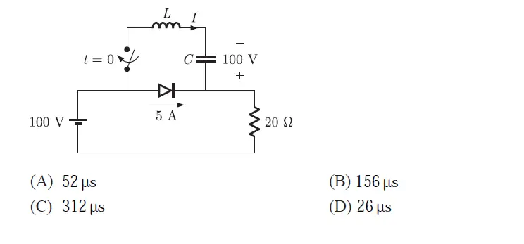
Q. 55 The L – C circuit of Q.54 is used to commutate a thyristor, which is initially
carrying a current of 5A as shown in the figure below. The values and initial
conditions of L and C are the same as in Q54. The switch is closed at t = 0. If
the forward drop is negligible, the time taken for the device to turn off is
Answer:(*)
Explanation:
Not Required.













