Gate EE-2010 Question Paper With Solutions

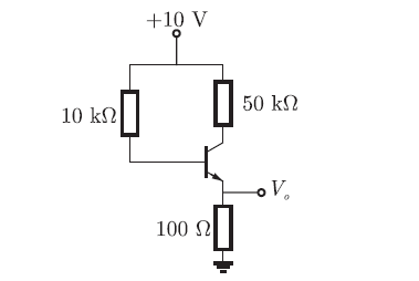
Q. 45 The transistor circuit shown uses a silicon transistor withGate EE-2010 Question Paper With Solutions  and
a dc current gain of 100. The value of Gate EE-2010 Question Paper With Solutions is

Gate EE-2010 Question Paper With Solutions
(A) 4.65 V

(B) 5 V

(C) 6.3 V

(D) 7.23 V

Answer:(A)

Explanation:

Gate EE-2010 Question Paper With Solutions

Learn More:   Gate ME-2016-3 Question Paper With Solutions

LEAVE A REPLY

Please enter your comment!
Please enter your name here