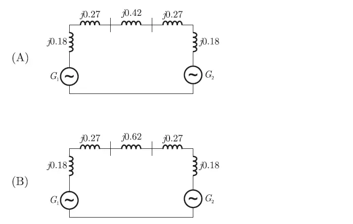
Q. 44 For the power system shown in the figure below, the specifications of the
components are the following :

Answer:(B)
Explanation:
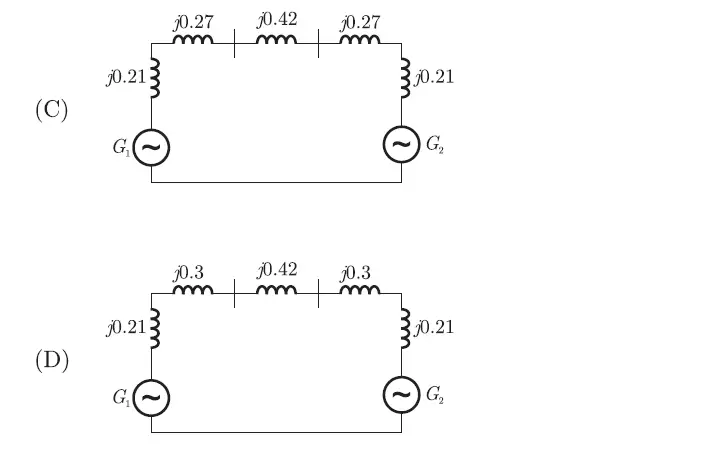
Q. 44 For the power system shown in the figure below, the specifications of the
components are the following :

Answer:(B)
Explanation: