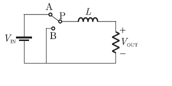
Q. 23 The power electronic converter shown in the figure has a single-pole double-throw
switch. The pole P of the switch is connected alternately to throws A and B. The
converter shown is a
(A) step down chopper (buck converter)
(B) half-wave rectifier
(C) step-up chopper (boost converter)
(D) full-wave rectifier
Answer:(A)
Explanation:













