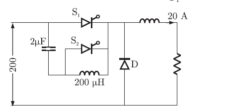
Q. 88 Figure shows a chopper. The device is the main switching device
. is the auxiliary commutation device.is
rated for 400 V, 60 A
is rated for 400 V,30 A. The load current is 20 A. The main device operates with a duty ratio of0.5. The peak current through
is
(A) 10 A
(B) 20 A
(C) 30 A
(D) 40 A
Answer:(D)
Explanation:













