Gate EE-2004 Question Paper With Solutions

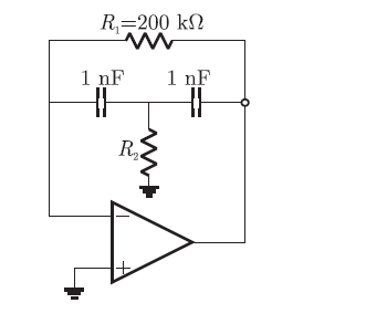
Q. 64 In the active filter circuit shown in figure, if Q = 1, a pair of poles will be realized withGate EE-2004 Question Paper With Solutions equal to

Gate EE-2004 Question Paper With Solutions
(A) 1000 rad/s

(B) 100 rad/s

(C) 10 rad/s

(D) 1 rad/s

Answer:(*)

Explanation:

Not Required.

Learn More:   Gate EC-2014 - 1 Question Paper With Solutions

LEAVE A REPLY

Please enter your comment!
Please enter your name here