Gate EE-2004 Question Paper With Solutions

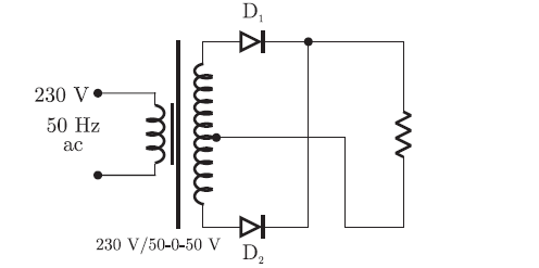
Q. 28 The circuit in figure shows a full-wave rectifier. The input voltage is 230 V
(rms) single-phase ac. The peak reverse voltage across the diodes D1 and D2 is

Gate EE-2004 Question Paper With Solutions
(A) 100 2 V

(B) 100 V

(C) 50 2 V

(D) 50 V

Answer:(A)

Explanation:

Gate EE-2004 Question Paper With Solutions

Learn More:   Gate EE-2014-3 Question Paper With Solutions

LEAVE A REPLY

Please enter your comment!
Please enter your name here