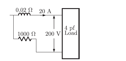
Q. 25 The circuit in figure is used to measure the power consumed by the load. The current coil and the voltage coil of the wattmeter have and
resistances respectively. The measured power compared to the load power will be
(A) 0.4 % less
(B) 0.2% less
(C) 0.2% more
(D) 0.4% more
Answer:(C)
Explanation:














