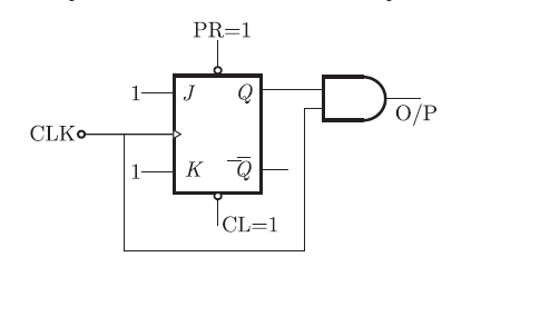
Q. 68 The digital circuit shown in figure generates a modified clock pulse at the
output. Choose the correct output waveform from the options given below.

Answer:(B)
Explanation:
Q. 68 The digital circuit shown in figure generates a modified clock pulse at the
output. Choose the correct output waveform from the options given below.

Answer:(B)
Explanation: