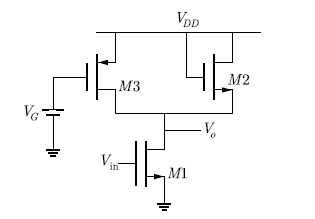
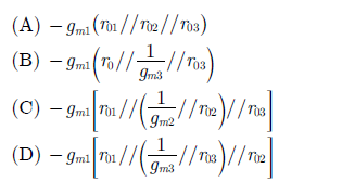
Q.51 In the circuit shown in figure, the channel length modulation of all transistor is non-zero. Also all transistors operate in saturation and have negligible body effect. The ac small signal voltage gain
of the circuit is
Answer:( C)
Explanation:














