Gate EC-2016 – 3 Question Paper With Solutions

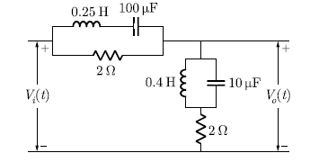
Q.19 In the RLC circuit shown in the figure, the input voltage is given byGate EC-2016 - 3 Question Paper With Solutions. The output voltage Gate EC-2016 - 3 Question Paper With Solutions is

Gate EC-2016 - 3 Question Paper With Solutions
(A) cos(200t)+ 2 sin(500t)

(B) 2 cos(200t)+ 4 sin(500t)

(C) sin200t + 2 cos 500t

(D) 2 sin(200t)+ 4 cos(500t)

Answer: (B)

Explanation:
Gate EC-2016 - 3 Question Paper With Solutions
Gate EC-2016 - 3 Question Paper With Solutions

Learn More:   Gate EE-2015-2 Question Paper With Solutions

LEAVE A REPLY

Please enter your comment!
Please enter your name here