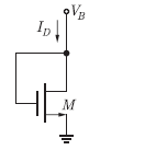
Q. 34 The small-signal resistance offered by the n-channel MOSFET M shown in the figure below, at a bias point of
is (device data for M: device transconductance parameter
, threshold voltage VTN = 1V, and neglect body effect and channel length modulation effects)
(A) 12.5
(B) 25
(C) 50
(D) 100
Answer: A
Explanation:














