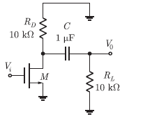
Q. 35 The ac schematic of an NMOS common-source state is shown in the figure below, where part of the biasing circuits has been omitted for simplicity. For the n-channel MOSFET M, the transconductance , and body effect and channel length modulation effect are to be neglected. The lower cutoff frequency in HZ of the circuit is approximately at
(A) 8
(B) 32
(C) 50
(D) 200
Answer: A
Explanation:















