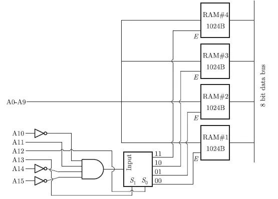
Q. 45 There are four chips each of 1024 bytes connected to a 16 bit address bus as shown in the figure below, RAMs 1, 2, 3 and 4 respectively are mappped to addresses
(A) 0C00H-0FFFH, 1C00H-1FFFH, 2C00H-2FFFH, 3C00H-3FFFH
(B) 1800H-1FFFH, 2800H-2FFFH, 3800H-3FFFH, 4800H-4FFFH
(C) 0500H-08FFH, 1500H-18FFH, 3500H-38FFH, 5500H-58FFH
(D) 0800H-0BFFH, 1800H-1BFFH, 2800H-2BFFH, 3800H-3BFFH
Answer: D
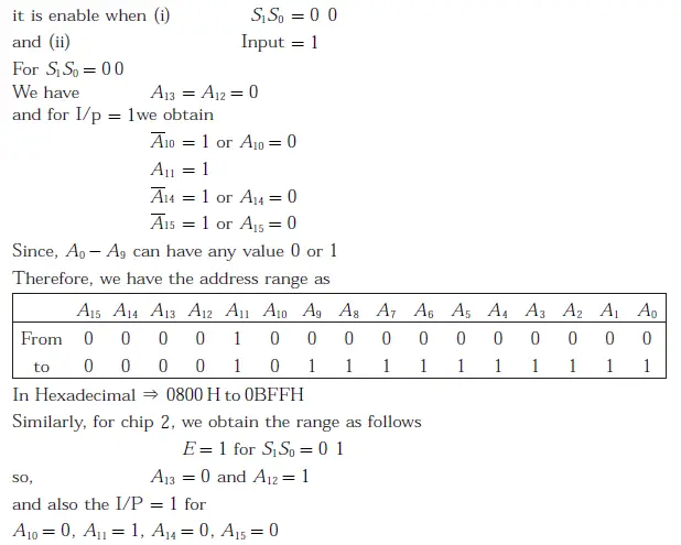
Explanation:















