Gate EC-2013 Question Paper With Solutions

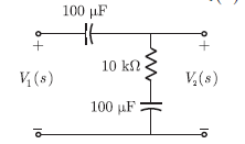
Q. 22 The transfer functionGate EC-2013 Question Paper With Solutionsof the circuit shown below is
Gate EC-2013 Question Paper With Solutions

Gate EC-2013 Question Paper With Solutions

Answer: D

Explanation:

Gate EC-2013 Question Paper With Solutions

Learn More:   Gate EE-2003 Question Paper With Solutions

LEAVE A REPLY

Please enter your comment!
Please enter your name here