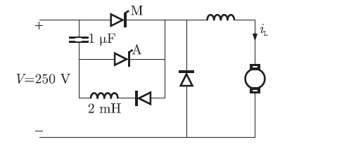
Q. 85 The average output voltage of the chopper will be A voltage commutated chopper operating at 1 kHz is used to control the speed of dc as shown in figure. The load current is assumed to be constant at 10

(A) 70 V
(B) 47.5 V
(C) 35 V
(D) 0 V
Answer:(C)
Explanation:












