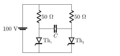
Q. 67 A voltage commutation circuit is shown in figure. If the turn-off time of the SCR is and a safety margin of 2 is considered, then what will be the approximate minimum value of capacitor required for proper commutation ?

Answer:(A)
Explanation:













