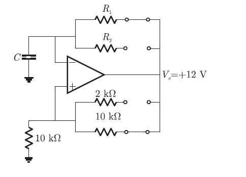
Q. 59 A relaxation oscillator is made using OPAMP as shown in figure. The supplyvoltagesof the OPAMP are. The voltage waveform at point P will be
The voltage waveform at point P will be
Answer:(C)
Explanation:


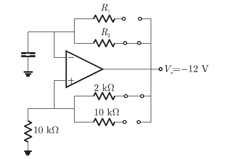
Q. 59 A relaxation oscillator is made using OPAMP as shown in figure. The supplyvoltagesof the OPAMP are. The voltage waveform at point P will be
The voltage waveform at point P will be
Answer:(C)
Explanation:

