Gate EC-2007 Question Paper With Solutions

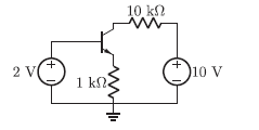
Q. 37 For the BJT circuit shown, assume that the β of the transistor is very large and Gate EC-2007 Question Paper With SolutionsV. The mode of operation of the BJT is

Gate EC-2007 Question Paper With Solutions

(A) cut-off

(B) saturation

(C) normal active

(D) reverse active

Answer:  (B)

Explanation:

Gate EC-2007 Question Paper With Solutions

Learn More:   Gate CS-2017-2 Question Paper With Solutions

LEAVE A REPLY

Please enter your comment!
Please enter your name here