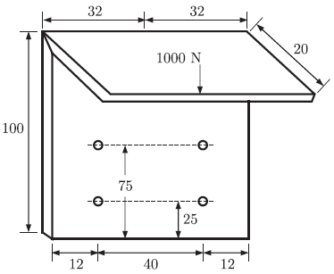
Q 32. A bracket (shown in figure) is rigidly mounted on wall using four rivets. Each rivet is 6 mm in diameter and has an effective length of 12 mm.
Direct shear stress (in MPa) in the most heavily loaded rivet is
(A) 4.4
(B) 8.8
(C) 17.6
(D) 35.2
Answer: (B)
Explanation:













