Gate EE-2020 Question Paper With Solutions

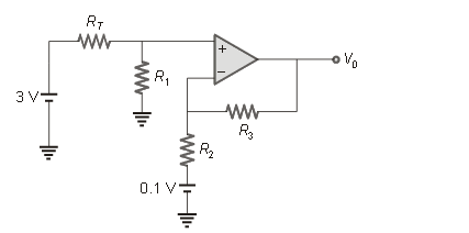
Q.53  Let RT → Thermistor

Gate EE-2020 Question Paper With Solutions

Temperature rise = 150%
Find errors in the output voltage?

Gate EE-2020 Question Paper With Solutions

Gate EE-2020 Question Paper With Solutions

Answer: ()

Explanation:

Not Required.


Learn More:   Gate CS-2011 Question Paper With Solutions

LEAVE A REPLY

Please enter your comment!
Please enter your name here