Gate EE-2009 Question Paper With Solutions

Q. 59Gate EE-2009 Question Paper With Solutions

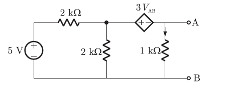
For the circuit given above, the Thevenin’s resistance across the terminals A and B is

Gate EE-2009 Question Paper With Solutions

Answer:(B)

Explanation:

Gate EE-2009 Question Paper With Solutions Gate EE-2009 Question Paper With Solutions Gate EE-2009 Question Paper With Solutions

Learn More:   Gate ME 2014-4 Question Paper With Solutions

LEAVE A REPLY

Please enter your comment!
Please enter your name here